JK-HPR60 Series
Jkongmotor
10 Pcs
| Availability: | |
|---|---|
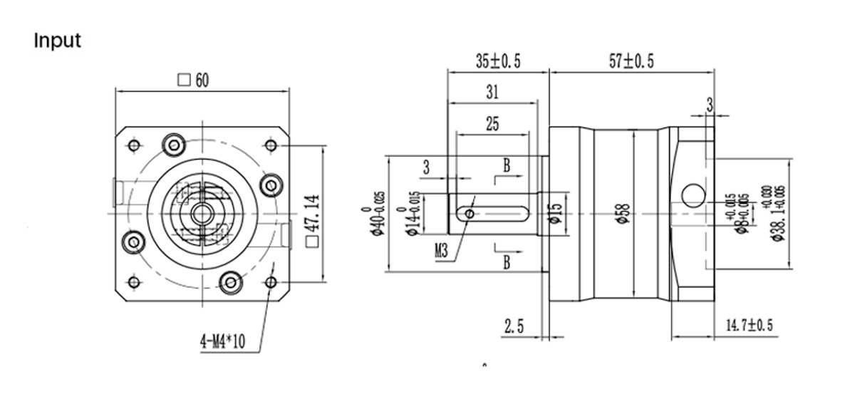
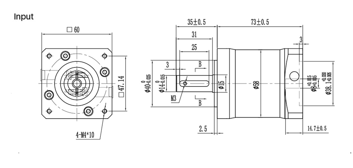
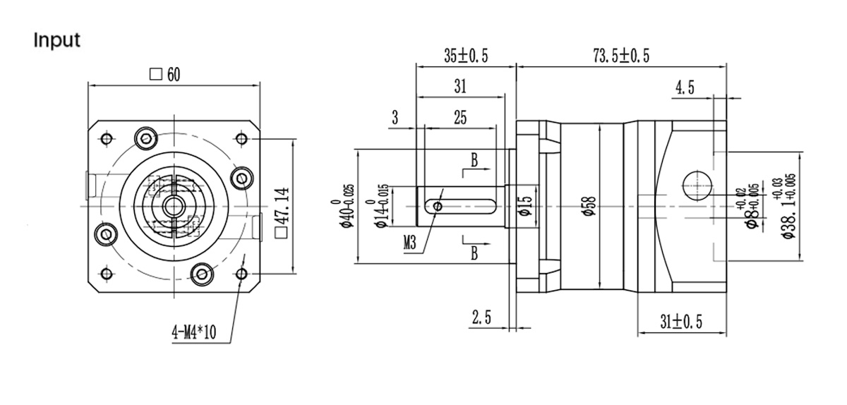
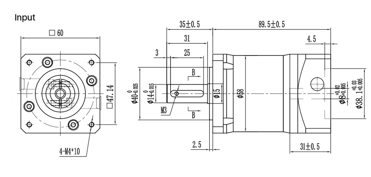
The size of this gearbox is 57 x 57mm / 60 x 60mm and the input shaft diameter is 8 mm. This high-precision planetary gearbox is belong to HPS series gearbox, it with gear ratio 3:1/ 4:1 / 5:1 / 7:1 / 10:1/ 16:1 / 20:1 / 25:1 / 28:1 / 30:1 / 35:1 / 40:1 / 50:1 / 70:1 / 100:1 and a maximum 15arc-min~20arc-min backlash. It's an excellent choice for applications that require good accuracy and reliability at an exceptional value. This inline planetary gearbox built-in an input shaft coupling which can match any standard Nema 23 24 stepper motor and brushless dc motor.
Model: JK-HPR60-L/LSW Series
Gearbox Type: Planetary Gearbox
Gear Ratio: 3:1/ 4:1 / 5:1 / 7:1 / 10:1/ 16:1 / 20:1 / 25:1 / 28:1 / 30:1 / 35:1 / 40:1 / 50:1 / 70:1 / 100:1
Efficiency: 96% / 94%
Backlash: ≤15 arcmin - 20 arcmin
Rated Torque: 10N.m - 32N.m
Sundden Stop Torque: 20N.m - 64N.m
Shaft Maximum Axial Load: 230N
Shaft Maximum Radial Load: 400N
Rated Input Speed: 3000rpm
Max Input Speed: 6000rpm
Average Life Span: 20000h
Noise: ≤65dB
Protection Level: iP54
Gearbox Length: L: 92mm / 108mm,LSW: 108.5mm / 124.5mm
Gearbox Shaft Diameter: Φ14mm
Gearbox Shaft Length: 35mm
Gearbox Key Length: 25mm
JK-HPR60-L1/L2 Weight: 0.75kg / 0.96kg
JK-HPR60-L1SW /L2SW Weight: 0.85kg / 1.10kg
The size of this gearbox is 57 x 57mm / 60 x 60mm and the input shaft diameter is 8 mm. This high-precision planetary gearbox is belong to HPS series gearbox, it with gear ratio 3:1/ 4:1 / 5:1 / 7:1 / 10:1/ 16:1 / 20:1 / 25:1 / 28:1 / 30:1 / 35:1 / 40:1 / 50:1 / 70:1 / 100:1 and a maximum 15arc-min~20arc-min backlash. It's an excellent choice for applications that require good accuracy and reliability at an exceptional value. This inline planetary gearbox built-in an input shaft coupling which can match any standard Nema 23 24 stepper motor and brushless dc motor.
Model: JK-HPR60-L/LSW Series
Gearbox Type: Planetary Gearbox
Gear Ratio: 3:1/ 4:1 / 5:1 / 7:1 / 10:1/ 16:1 / 20:1 / 25:1 / 28:1 / 30:1 / 35:1 / 40:1 / 50:1 / 70:1 / 100:1
Efficiency: 96% / 94%
Backlash: ≤15 arcmin - 20 arcmin
Rated Torque: 10N.m - 32N.m
Sundden Stop Torque: 20N.m - 64N.m
Shaft Maximum Axial Load: 230N
Shaft Maximum Radial Load: 400N
Rated Input Speed: 3000rpm
Max Input Speed: 6000rpm
Average Life Span: 20000h
Noise: ≤65dB
Protection Level: iP54
Gearbox Length: L: 92mm / 108mm,LSW: 108.5mm / 124.5mm
Gearbox Shaft Diameter: Φ14mm
Gearbox Shaft Length: 35mm
Gearbox Key Length: 25mm
JK-HPR60-L1/L2 Weight: 0.75kg / 0.96kg
JK-HPR60-L1SW /L2SW Weight: 0.85kg / 1.10kg
| Model | / | JK-HPR60-L1 | JK-HPR60-L2 | |||||||||||||
| Gear Ratio | / | 3 | 4 | 5 | 7 | 10 | 16 | 20 | 25 | 28 | 30 | 35 | 40 | 50 | 70 | 100 |
| Gear Trains | / | 1 | 2 | |||||||||||||
| Gearbox Length | mm | 92 | 108 | |||||||||||||
| Rated Torque | N.m | 16 | 25 | 28 | 20 | 10 | 30 | 30 | 32 | 30 | 30 | 30 | 25 | 25 | 20 | 10 |
| Sundden Stop Torque | N.m | 32 | 50 | 56 | 40 | 20 | 60 | 60 | 64 | 60 | 60 | 60 | 50 | 50 | 40 | 20 |
| Back Lash | arcmin | ≤15 arcmin | ≤20 arcmin | |||||||||||||
| Efficiency | % | 96 | 94 | |||||||||||||
| Suitable Motor Dimension | mm | Φ8-14 / Φ38.1-2/ F47.14-M4 | Φ8-14 / Φ38.1-2 / F47.14-M4 | |||||||||||||
| Rated Input Speed | Rpm | 3000 | 3000 | |||||||||||||
| Max Input Speed | Rpm | 6000 | 6000 | |||||||||||||
| Average Life Span | h | 20000 | 20000 | |||||||||||||
| Axial Force | N | 230 | 230 | |||||||||||||
| Radial Force | N | 400 | 400 | |||||||||||||
| Noise | dB | ≤65 | ≤65 | |||||||||||||
| Protection Level | IP | IP54 | IP54 | |||||||||||||
| Work Temp. | ℃ | -20 to +150 | -20 to +150 | |||||||||||||
| Out Shaft Type | / | Key Shaft Type | Key Shaft Type | |||||||||||||
| Model | / | JK-HPR60-L1SW | JK-HPR60-L2SW | |||||||||||||
| Gear Ratio | / | 3 | 4 | 5 | 7 | 10 | 16 | 20 | 25 | 28 | 30 | 35 | 40 | 50 | 70 | 100 |
| Gear Trains | / | 1 | 2 | |||||||||||||
| Gearbox Length | mm | 108.5 | 124.5 | |||||||||||||
| Rated Torque | N.m | 16 | 25 | 28 | 20 | 10 | 30 | 30 | 32 | 30 | 30 | 30 | 25 | 25 | 20 | 10 |
| Sundden Stop Torque | N.m | 32 | 50 | 56 | 40 | 20 | 60 | 60 | 64 | 60 | 60 | 60 | 50 | 50 | 40 | 20 |
| Back Lash | arcmin | ≤15 arcmin | ≤20 arcmin | |||||||||||||
| Efficiency | % | 96 | 94 | |||||||||||||
| Suitable Motor Dimension | mm | Φ8-30/ Φ38.1-2/ F47.14-M4 | Φ8-30 / Φ38.1-2 / F47.14-M4 | |||||||||||||
| Rated Input Speed | Rpm | 3000 | 3000 | |||||||||||||
| Max Input Speed | Rpm | 6000 | 6000 | |||||||||||||
| Average Life Span | h | 20000 | 20000 | |||||||||||||
| Axial Force | N | 230 | 230 | |||||||||||||
| Radial Force | N | 400 | 400 | |||||||||||||
| Noise | dB | ≤65 | ≤65 | |||||||||||||
| Protection Level | IP | IP54 | IP54 | |||||||||||||
| Work Temp. | ℃ | -20 to +150 | -20 to +150 | |||||||||||||
| Out Shaft Type | / | Key Shaft Type | Key Shaft Type | |||||||||||||
| Physical Specification | ||
| Motor Shaft Type | / | Round Shaft |
| Gearbox Length | mm | 92/108 , 108.5 / 124.5 |
| Gearbox Shaft Type | / | Key Shaft Type |
| Gearbox Shaft Diameter | mm | 14 |
| Gearbox Shaft Length | mm | 35 |
| Gearbox Key Length | mm | 25 |
| Number of Leads | / | 4 |
| Lead Length | mm | 300 |
| Weight | kg | 0.75/0.96 , 0.85/1.10 |
| Model | / | JK-HPR60-L1 | JK-HPR60-L2 | |||||||||||||
| Gear Ratio | / | 3 | 4 | 5 | 7 | 10 | 16 | 20 | 25 | 28 | 30 | 35 | 40 | 50 | 70 | 100 |
| Gear Trains | / | 1 | 2 | |||||||||||||
| Gearbox Length | mm | 92 | 108 | |||||||||||||
| Rated Torque | N.m | 16 | 25 | 28 | 20 | 10 | 30 | 30 | 32 | 30 | 30 | 30 | 25 | 25 | 20 | 10 |
| Sundden Stop Torque | N.m | 32 | 50 | 56 | 40 | 20 | 60 | 60 | 64 | 60 | 60 | 60 | 50 | 50 | 40 | 20 |
| Back Lash | arcmin | ≤15 arcmin | ≤20 arcmin | |||||||||||||
| Efficiency | % | 96 | 94 | |||||||||||||
| Suitable Motor Dimension | mm | Φ8-14 / Φ38.1-2/ F47.14-M4 | Φ8-14 / Φ38.1-2 / F47.14-M4 | |||||||||||||
| Rated Input Speed | Rpm | 3000 | 3000 | |||||||||||||
| Max Input Speed | Rpm | 6000 | 6000 | |||||||||||||
| Average Life Span | h | 20000 | 20000 | |||||||||||||
| Axial Force | N | 230 | 230 | |||||||||||||
| Radial Force | N | 400 | 400 | |||||||||||||
| Noise | dB | ≤65 | ≤65 | |||||||||||||
| Protection Level | IP | IP54 | IP54 | |||||||||||||
| Work Temp. | ℃ | -20 to +150 | -20 to +150 | |||||||||||||
| Out Shaft Type | / | Key Shaft Type | Key Shaft Type | |||||||||||||
| Model | / | JK-HPR60-L1SW | JK-HPR60-L2SW | |||||||||||||
| Gear Ratio | / | 3 | 4 | 5 | 7 | 10 | 16 | 20 | 25 | 28 | 30 | 35 | 40 | 50 | 70 | 100 |
| Gear Trains | / | 1 | 2 | |||||||||||||
| Gearbox Length | mm | 108.5 | 124.5 | |||||||||||||
| Rated Torque | N.m | 16 | 25 | 28 | 20 | 10 | 30 | 30 | 32 | 30 | 30 | 30 | 25 | 25 | 20 | 10 |
| Sundden Stop Torque | N.m | 32 | 50 | 56 | 40 | 20 | 60 | 60 | 64 | 60 | 60 | 60 | 50 | 50 | 40 | 20 |
| Back Lash | arcmin | ≤15 arcmin | ≤20 arcmin | |||||||||||||
| Efficiency | % | 96 | 94 | |||||||||||||
| Suitable Motor Dimension | mm | Φ8-30/ Φ38.1-2/ F47.14-M4 | Φ8-30 / Φ38.1-2 / F47.14-M4 | |||||||||||||
| Rated Input Speed | Rpm | 3000 | 3000 | |||||||||||||
| Max Input Speed | Rpm | 6000 | 6000 | |||||||||||||
| Average Life Span | h | 20000 | 20000 | |||||||||||||
| Axial Force | N | 230 | 230 | |||||||||||||
| Radial Force | N | 400 | 400 | |||||||||||||
| Noise | dB | ≤65 | ≤65 | |||||||||||||
| Protection Level | IP | IP54 | IP54 | |||||||||||||
| Work Temp. | ℃ | -20 to +150 | -20 to +150 | |||||||||||||
| Out Shaft Type | / | Key Shaft Type | Key Shaft Type | |||||||||||||
| Physical Specification | ||
| Motor Shaft Type | / | Round Shaft |
| Gearbox Length | mm | 92/108 , 108.5 / 124.5 |
| Gearbox Shaft Type | / | Key Shaft Type |
| Gearbox Shaft Diameter | mm | 14 |
| Gearbox Shaft Length | mm | 35 |
| Gearbox Key Length | mm | 25 |
| Number of Leads | / | 4 |
| Lead Length | mm | 300 |
| Weight | kg | 0.75/0.96 , 0.85/1.10 |












Input/Output Shaft Diameter and Length
Input/Output Shaft Type
Gear Ratio
Input/Output Shaft Diameter and Length
Input/Output Shaft Type
Gear Ratio
© COPYRIGHT 2025 CHANGZHOU JKONGMOTOR CO.,LTD ALL RIGHTS RESERVED.