Серия JK-HPR60-LMA
Джконгмотор
10 шт.
| Доступность: | |
|---|---|
Размер этого редуктора составляет 57 х 57 мм / 60 х 60 мм, а диаметр входного вала — 8 мм. Этот высокоточный планетарный редуктор относится к серии HPS с передаточным числом 4:1 / 5:1 / 7:1 / 10:1 / 16:1 / 20:1 / 25:1 / 28:1 / 35:1 / 40:1 / 50:1 / 70:1 и максимальным люфтом 10~15 угловых минут . Это отличный выбор для приложений, требующих хорошей точности и надежности по исключительной цене. Этот рядный планетарный редуктор имеет встроенную муфту входного вала, которая может соответствовать любому стандартному шаговому двигателю Nema 23 24 и бесщеточному двигателю постоянного тока.
Модель: Серия JK-HPR60-LMA
Тип коробки передач: Планетарная коробка передач
Передаточное число: 4:1/5:1/7:1/10:1/16:1/20:1/25:1/28:1/35:1/40:1/50:1/70:1
Эффективность: 96% / 94%
Люфт: ≤10 угловых минут - 15 угловых минут
Номинальный крутящий момент: 10–32 Нм.
Момент остановки Sundden: 20–64 Нм.
Максимальная осевая нагрузка на вал: 230 Н
Максимальная радиальная нагрузка на вал: 450 Н
Номинальная входная скорость: 3000 об/мин
Максимальная входная скорость: 6000 об/мин
Средний срок службы: 20000 часов
Шум: ≤55 дБ
Уровень защиты: IP54
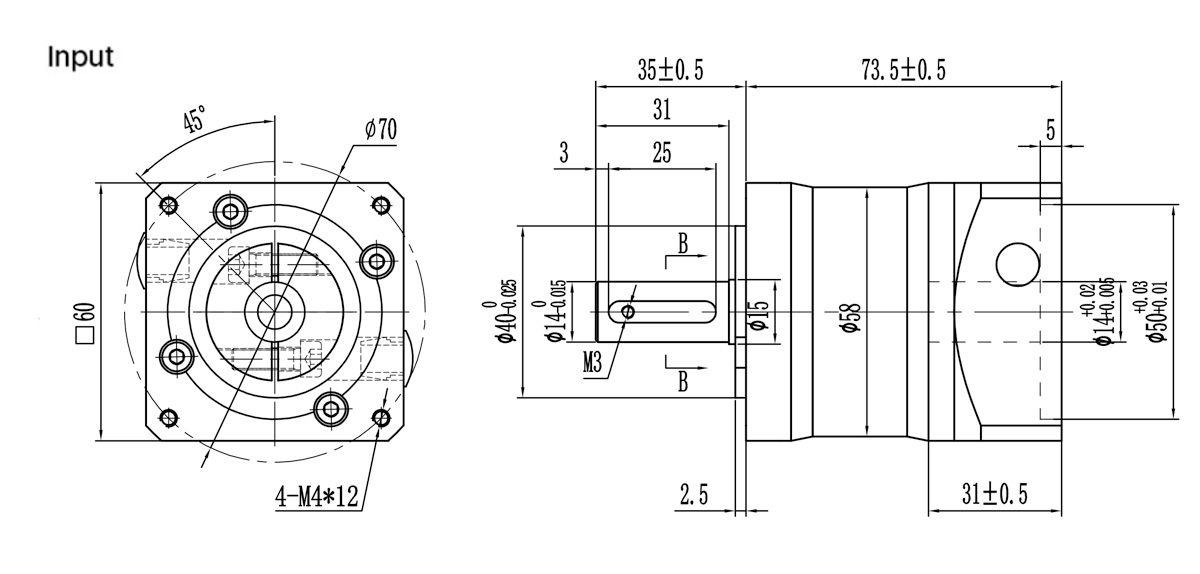
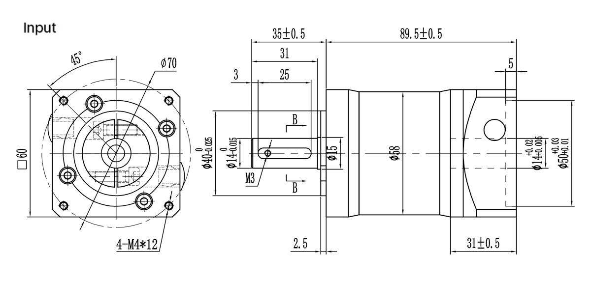
Длина коробки передач: L: 108,5 мм/124,5 мм
Диаметр вала коробки передач: Φ14 мм
Длина вала коробки передач: 35 мм
Длина ключа коробки передач: 25 мм
JK-HPR60-L1MA/L2MA Вес: 0,85 кг/ 1,05 кг
| Модель | / | JK-HPR60-L1MA | JK-HPR60-L2MA | ||||||||||
| Передаточное число | / | 4 | 5 | 7 | 10 | 16 | 20 | 25 | 28 | 35 | 40 | 50 | 70 |
| Зубчатые поезда | / | 1 | 2 | ||||||||||
| Длина коробки передач | мм | 108.5 | 124.5 | ||||||||||
| Номинальный крутящий момент | Нм | 25 | 28 | 20 | 10 | 30 | 30 | 32 | 30 | 30 | 25 | 25 | 20 |
| Крутящий момент Sundden Stop | Нм | 50 | 56 | 40 | 20 | 60 | 60 | 64 | 60 | 60 | 50 | 50 | 40 |
| Задние ресницы | угл. мин. | ≤10 угловых минут | ≤15 угловых минут | ||||||||||
| Эффективность | % | 96 | 94 | ||||||||||
| Подходящий размер двигателя | мм | 14-30/50-3/70-М4 | 14-30/50-3/70-М4 | ||||||||||
| Номинальная входная скорость | об/мин | 3000 | 3000 | ||||||||||
| Максимальная входная скорость | об/мин | 6000 | 6000 | ||||||||||
| Средняя продолжительность жизни | час | 20000 | 20000 | ||||||||||
| Осевая сила | Н | 230 | 230 | ||||||||||
| Радиальная сила | Н | 450 | 450 | ||||||||||
| Шум | дБ | ≤55 | ≤55 | ||||||||||
| Уровень защиты | ИП | IP54 | IP54 | ||||||||||
| Рабочая температура. | ℃ | от -20 до +150 | от -20 до +150 | ||||||||||
| Тип вала | / | Тип ключевого вала | Тип ключевого вала | ||||||||||
| Физические характеристики | ||
| Тип вала двигателя | / | Круглый вал |
| Длина коробки передач | мм | 108,5/124,5 |
| Тип вала коробки передач | / | Тип ключевого вала |
| Диаметр вала коробки передач | мм | 14 |
| Длина вала коробки передач | мм | 35 |
| Длина ключа коробки передач | мм | 25 |
| Количество потенциальных клиентов | / | 4 |
| Длина вывода | мм | 300 |
| Масса | кг | 0,85/1,05 |



Диаметр и длина входного/выходного вала
Тип входного/выходного вала
Передаточное число
© АВТОРСКИЕ ПРАВА 2025 ЧАНЧЖОУ JKONGMOTOR CO.,LTD. ВСЕ ПРАВА ЗАЩИЩЕНЫ.