Pôles : 8 pôles
Puissance nominale : 53 W
Vitesse nominale : 4000 ± 10 % tr/min.
Courant nominal : 3,3 A
Couple nominal : 0,125 Nm (17,70 oz.in)
Encodeur : encodeur absolu 17 bits
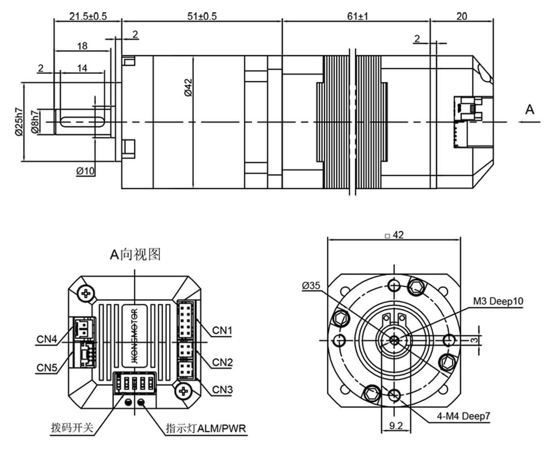
JKIDS42-C02A avec réducteur planétaire HPR42
Jkongmoteur
4000 tr/min
8 pôles
Néma17-42mm
24V
Type d'impulsion, RS485 ModBus, réseau CANopen
10 pièces
| Disponibilité: | |
|---|---|
Jkongmotor nema 17 JKIDS42-P02A 42x42x81mm servomoteur à courant continu intégré avec contrôle CANopen 53W 24V 4000Rpm 0,125Nm avec pilote intégré 17 bits. Pour des exigences plus différentes en matière de servomoteur intégré, veuillez nous contacter !!!
Nom du modèle : JKIDS42-P02A
Phase : 3
Pôles : 8
Puissance nominale : 53 W
Tension nominale : 24 V CC
Vitesse nominale : 4000 ± 10 % tr/min.
Courant nominal : 3,3 A
Couple nominal : 0,125 Nm (17,70 oz.in)
Encodeur : 17 bits
Méthode de contrôle : CANopen (RS485, impulsion en option)
Taille du cadre : Nema 17 (42 x 42 mm)
Longueur du corps : 81 mm
Diamètre de l'arbre: 5mm
Longueur de l'arbre : 22 mm.
Adoption d'un nouveau noyau M4+ 32 bits avec une fréquence principale de 120 M ou 240 M
Caractéristiques de couple stables des vitesses faibles aux vitesses élevées, avec une vitesse et une précision élevées
Équipé d'une interface de résistance de freinage pour éviter d'endommager le système de freinage électromécanique
Large plage de vitesse, faible élévation de température et rendement élevé
Moteur et variateur intégrés, taille compacte, câblage et variateur simples Bonne compatibilité avec le moteur
Équipé de fonctions de protection contre les surintensités, les surtensions, les surchauffes et les surintensités différentielles
Configurer un codeur absolu monotour 17 bits
Type d'impulsion
Type de réseau RS485 MODbus RTU
Type de réseau CANopen
Type étanche : IP30, IP54, IP65, en option
Équipement médical, transport logistique, automatisation industrielle, machines textiles, laser, dessin, industrie des ingrédients de médecine traditionnelle chinoise, etc.
| Spécification électrique | ||
| Type de produit |
/ | Moteur Bldc intégré |
| Nom du modèle | / | JKIDS42-C02A |
| Phase | / | 3 |
| Poteaux | / | 8 |
| Pouvoir |
W | 53 |
| Tension nominale | V | 24 |
| Courant nominal | UN | 3.3 |
| sans charge Courant | UN | 0.3 |
| Vitesse nominale |
Régime | 4000 ± 10 % |
| Vitesse sans charge | Régime | 6800 ± 10 % |
| Couple nominal | Nm | 0.125 |
| Hauteur totale | mm | 81 |
| Encodeur |
/ | 17 bits |
| Résistance |
ohms | 0.73 |
| Constante EMF arrière | V/Krpm |
3.53 |
| Constante de couple |
Nm/A | 0.034 |
| Force de diélection | / | 500VDC pendant une minute |
| Température de fonctionnement | ℃ | -15 ~ +50 |
| Inertie du rotor |
g.cm2 | 48 |
| Classe d'isolation | / | B |
| Environnement | Paramètres |
| Méthode de refroidissement | Refroidissement naturel ou forcé |
| Application | Évitez la poussière, l'huile et les gaz corrosifs ; tenir à l'écart des autres équipements générateurs de chaleur ; interdire la présence de gaz combustibles et de poussières conductrices. |
| Température de fonctionnement | 0℃ ~ +50℃ |
| Humidité ambiante | ≤85% HR (pas de condensation) |
| Vibrations | 5,9 m/s² maximum |
| Température de stockage | -25 ℃ ~ +70 ℃ |
| Couleur | Nom | Fonction |
| Vert | REP | Indicateur d'alimentation |
| Rouge | ALM | Indicateur d'alarme |
| Ports | Épingle | Nom du port | Description |
| CN1 | 1 | PUL+ | Signal d'impulsion |
| 2 | PUL- |
||
| 3 | DIR+ | Signal de direction | |
| 4 | DIR- |
||
| 5 | ENA+ | Activer le signal | |
| 6 | ENA- |
||
| 7 | Caroline du Nord | indéfini | |
| 8 | Caroline du Nord | indéfini | |
| 9 | ALM+ | Signal d'alarme | |
| 10 | ALM- |
||
| CN2 |
1 | Caroline du Nord |
indéfini |
| 2 | Caroline du Nord |
indéfini | |
| 3 | Caroline du Nord |
indéfini | |
| 4 | COM | Ports communs | |
| CN3 | 1 | Caroline du Nord |
indéfini |
| 2 | 5V | +5V | |
| 3 | Caroline du Nord |
indéfini | |
| 4 | COM |
Ports communs |
| Épingle | Nom du port | Description |
| 1 | SW1 | Paramètres de subdivision |
| 2 | SW2 |
|
| 3 | SW3 |
|
| 4 | SW4 |
|
| 5 | SW5 |
Réglage du sens de rotation du moteur |
| Ports | Épingle | Nom du port | Description |
| CN4 | 1 | GND | Câblage de l'alimentation négative |
| 2 | VCC | Câblage d'alimentation positif | |
| CN5 | 1 | RXD | Récepteur de communication sur port série |
| 2 | TXD | expéditeur de communications sur port série | |
| 3 | COM | Port commun | |
| 4 | 5V | +5V |
| Subdiviser | SW1 | SW2 |
SW3 |
SW4 |
| 200 | DÉSACTIVÉ |
DÉSACTIVÉ |
DÉSACTIVÉ |
DÉSACTIVÉ |
| 400 | SUR |
DÉSACTIVÉ |
DÉSACTIVÉ |
DÉSACTIVÉ |
| 800 | DÉSACTIVÉ |
SUR |
DÉSACTIVÉ |
DÉSACTIVÉ |
| 1600 | SUR |
SUR |
DÉSACTIVÉ |
DÉSACTIVÉ |
| 3200 | DÉSACTIVÉ |
DÉSACTIVÉ |
SUR |
DÉSACTIVÉ |
| 6400 | SUR |
DÉSACTIVÉ |
SUR |
DÉSACTIVÉ |
| 12800 | DÉSACTIVÉ |
SUR |
SUR |
DÉSACTIVÉ |
| 25600 |
SUR |
SUR |
SUR |
DÉSACTIVÉ |
| 1000 | DÉSACTIVÉ |
DÉSACTIVÉ |
DÉSACTIVÉ |
SUR |
| 2000 | SUR |
DÉSACTIVÉ |
DÉSACTIVÉ |
SUR |
| 4000 | DÉSACTIVÉ |
SUR |
DÉSACTIVÉ |
SUR |
| 5000 | SUR |
SUR |
DÉSACTIVÉ |
SUR |
| 8000 | DÉSACTIVÉ |
DÉSACTIVÉ |
SUR |
SUR |
| 10000 | SUR |
DÉSACTIVÉ |
SUR |
SUR |
| 20000 | DÉSACTIVÉ |
SUR |
SUR |
SUR |
| 25000 | SUR |
SUR |
SUR |
SUR |
L'utilisateur peut définir le sens de rotation du moteur via SW5, qui fonctionne avec le signal de commande DIR. La modification du réglage SW5 ou du signal de commande DIR peut modifier le sens de rotation actuel du moteur.
| Instructions | SW5 | DIR |
| CW | DÉSACTIVÉ | Niveau bas |
| CCW | SUR | Niveau bas |
| CCW | DÉSACTIVÉ | Niveau élevé ou suspendu |
| CW | SUR | Niveau élevé ou suspendu |
| Modèle | / | JK-HPR42-L1 | JK-HPR42-L2 | |||||||||||||||
| Rapport de démultiplication | / | 3 | 4 | 5 | 7 | 10 | 15 | 16 | 20 | 25 | 28 | 30 | 35 | 40 | 45 | 50 | 70 | 100 |
| Trains à engrenages | / | 1 | 2 | |||||||||||||||
| Longueur de la boîte de vitesses | mm | 61.5 | 72.5 | |||||||||||||||
| Couple nominal | Nm | 8 | 9 | 9 | 5 | 5 | 10 | 12 | 12 | 10 | 10 | 10 | 10 | 10 | 10 | 10 | 10 | 5 |
| Couple d'arrêt soudain | Nm | 16 | 18 | 18 | 10 | 10 | 20 | 24 | 24 | 20 | 20 | 20 | 20 | 20 | 20 | 20 | 20 | 10 |
| Cils arrière | arcmin | ≤15 minutes d'arc | ≤20 arcmin | |||||||||||||||
| Efficacité | % | 96 | 94 | |||||||||||||||
| Dimension du moteur appropriée | mm | Φ5-10 / Φ22-2 / F31-M3 | Φ5-10 / Φ22-2 / F31-M3 | |||||||||||||||
| Vitesse d'entrée nominale | Régime | 3000 | 3000 | |||||||||||||||
| Vitesse d'entrée maximale | Régime | 6000 | 6000 | |||||||||||||||
| Durée de vie moyenne | h | 20000 | 20000 | |||||||||||||||
| Force axiale | N | 100 | 100 | |||||||||||||||
| Force radiale | N | 300 | 300 | |||||||||||||||
| Bruit | dB | ≤55 | ≤65 | |||||||||||||||
| Niveau de protection | PI | IP54 | IP54 | |||||||||||||||
| Temp. de travail. | ℃ | -20 à +150 | -20 à +150 | |||||||||||||||
| Type d'arbre extérieur | / | Type d'arbre de clé | Type d'arbre de clé | |||||||||||||||
| Modèle | / | JK-HPR42-L1SW | JK-HPR42-L2SW | ||||||||||||||
| Rapport de démultiplication | / | 3 | 4 | 5 | 7 | 10 | 15 | 16 | 20 | 25 | 28 | 30 | 35 | 40 | 50 | 70 | 100 |
| Trains à engrenages | / | 1 | 2 | ||||||||||||||
| Longueur de la boîte de vitesses | mm | 76.5 | 87.5 | ||||||||||||||
| Couple nominal | Nm | 8 | 9 | 9 | 5 | 5 | 10 | 12 | 12 | 10 | 10 | 12 | 10 | 10 | 10 | 10 | 5 |
| Couple d'arrêt soudain | Nm | 16 | 18 | 18 | 10 | 10 | 20 | 24 | 24 | 20 | 20 | 24 | 20 | 20 | 20 | 20 | 10 |
| Cils arrière | arcmin | ≤15 minutes d'arc | ≤20 arcmin | ||||||||||||||
| Efficacité | % | 96 | 94 | ||||||||||||||
| Dimension du moteur appropriée | mm | Φ5-24 / Φ22-2 / F31-M3 | Φ5-24 / Φ22-2 / F31-M3 | ||||||||||||||
| Vitesse d'entrée nominale | Régime | 3000 | 3000 | ||||||||||||||
| Vitesse d'entrée maximale | Régime | 6000 | 6000 | ||||||||||||||
| Durée de vie moyenne | h | 20000 | 20000 | ||||||||||||||
| Force axiale | N | 100 | 100 | ||||||||||||||
| Force radiale | N | 300 | 300 | ||||||||||||||
| Bruit | dB | ≤65 | ≤65 | ||||||||||||||
| Niveau de protection | PI | IP54 | IP54 | ||||||||||||||
| Temp. de travail. | ℃ | -20 à +150 | -20 à +150 | ||||||||||||||
| Type d'arbre extérieur | / | Type d'arbre de clé | Type d'arbre de clé | ||||||||||||||
| Spécification physique | ||
| Type d'arbre moteur | / | Arbre rond |
| Longueur de la boîte de vitesses | mm | 61,5/72,5, 76,5/87,5 |
| Type d'arbre de boîte de vitesses | / | Type d'arbre de clé |
| Diamètre de l'arbre de boîte de vitesses | mm | 8 |
| Longueur de l'arbre de boîte de vitesses | mm | 21.5 |
| Longueur de clé de boîte de vitesses | mm | 14 |
| Nombre de prospects | / | 4 |
| Longueur du fil | mm | 300 |
| Poids | kilos | 0,25/0,35, 0,29/0,38 |

© COPYRIGHT 2025 CHANGZHOU JKONGMOTOR CO., LTD TOUS DROITS RÉSERVÉS.