ปัจจุบัน: 5.0A
ความต้านทาน: 2.14Ω
แรงบิดสูงสุด: 16N.m(2265.79oz.in)
เจเค110H3P194-5003
เจคงมอเตอร์
โอเพ่นลูปมอเตอร์
เนม่า42 (110มม.)
3สาย
3 เฟส
1.2°
10 ชิ้น
| มีจำหน่าย: | |
|---|---|
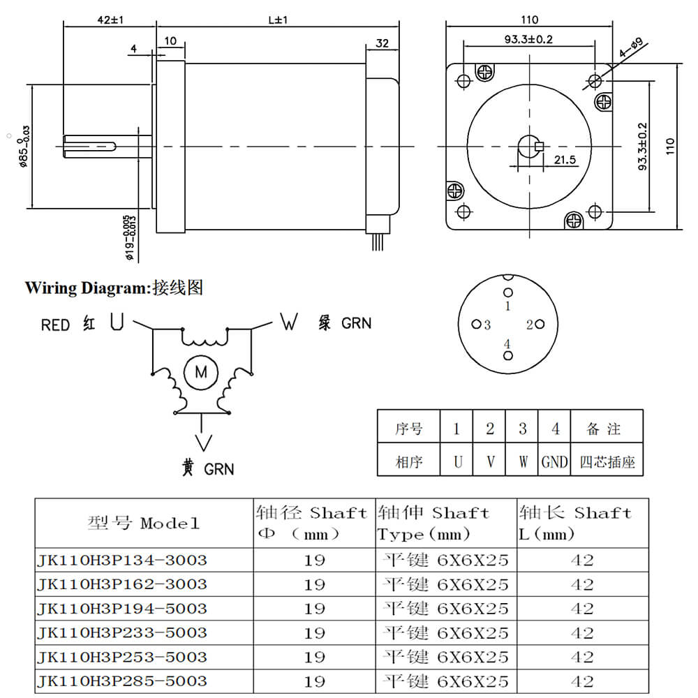
Jkongmotor Nema 42 สเต็ปเปอร์มอเตอร์ไฮบริด 3 เฟส (JK110H3P194-5003) พร้อมมุมสเต็ป 1.8deg และขนาด 110x110x194มม. มีสายไฟ 3 เส้น 5.0A 2.14 Ω 17.5mH และ มีแรงบิดยึด 16N.m(2265.79oz.in) . สำหรับข้อกำหนดสเต็ปเปอร์มอเตอร์ที่แตกต่างกันเพิ่มเติม (เช่น กระปุกเกียร์ เบรก ตัวเข้ารหัส หรือมอเตอร์รวม) โปรดติดต่อเรา!!!
ประเภท: สเต็ปเปอร์มอเตอร์ไฮบริด Nema 42 3 เฟส
ชื่อรุ่น: JK110H3P194-5003
ระยะ: 3
มุมขั้นบันได: 1.2 องศา
ปัจจุบัน: 5.0A
ความต้านทาน: 2.14 Ω±0.1(20 ℃)
ตัวเหนี่ยวนำ: 17.5mH ± 20% (1kHz 1V RMS)
แรงบิดในการถือครอง: 16 N.m ( 2265.79oz.in)
ชั้นฉนวน: B(130°); สูง�
ชิ้นส่วนเสริม: กระปุกเกียร์, ตัวเข้ารหัส, เบรก, ไดร์เวอร์แบบรวม ...
ขนาดเฟรม: Nema 42 ( 110 x 110มม.)
ความยาวลำตัว: 194 มม
เส้นผ่านศูนย์กลางเพลา: 19 มม
ความยาวเพลา: 42 มม
| คุณ |
วี | ว |
| สีแดง | สีเหลือง | สีเขียว |
| ข้อกำหนดทางไฟฟ้า | ||
| ประเภทสินค้า |
/ | Nema 42 มอเตอร์สเต็ปเปอร์ไฮบริด 3 เฟส |
| ชื่อรุ่น | / | เจเค110H3P194-5003 |
| เฟส | เฟส | 3 |
| มุมก้าว | ° | 1.2 |
| ปัจจุบัน | ก | 5.0 |
| ความต้านทาน | โอห์ม | 2.14 |
| ตัวเหนี่ยวนำ | mH | 17.5 |
| แรงบิดสูงสุด(Nm) | นิวตันเมตร | 16 |
| ถือแรงบิด (oz.in) | ออนซ์ใน | 2265.79 |
| ชั้นฉนวน | / | บี |
| ความเฉื่อยของโรเตอร์ | ก.ซม2 | 15300 |
| ข้อกำหนดทางกายภาพ | ||
| ขนาดเฟรม | มม | เนมา 42 (110 x 110) |
| ประเภทเพลาเอาท์พุต | / | แกนกุญแจ |
| เส้นผ่านศูนย์กลางเพลา | มม | 19 |
| ความยาวเพลา | มม | 42 |
| ความยาวลำตัว |
มม | 194 |
| เพลาเดี่ยว / เพลาคู่ | / | เพลาเดี่ยว |
| จำนวนลูกค้าเป้าหมาย | / | 3 |
| ความยาวสาย | มม | 400 |
| น้ำหนัก | กก | 10.5 |

ตัวเชื่อมต่อ, กระปุกเกียร์, ตัวเข้ารหัส, เบรก, ไดร์เวอร์แบบรวม...
รอกโลหะ
ลูกรอกพลาสติก
เกียร์
สลักเพลา
เพลาเกลียว
แผงเมาท์
เพลากลวง
เพลาเกลียว
แผงเมาท์
แฟลตเดี่ยว
แบนคู่
แกนกุญแจ
สายเคเบิ้ล
หน้าแปลน
เพลา
แกนลีดสกรู
ตัวเข้ารหัส
เบรก
กระปุกเกียร์
ชุดมอเตอร์
ไดร์เวอร์แบบรวม
ปรับแต่งเพิ่มเติม
© ลิขสิทธิ์ 2025 ฉางโจว JKONGMOTOR CO.,LTD สงวนลิขสิทธิ์