Akım: 2.8A
Direnç: 0,9Ω
Nominal Tork: 1,2Nm(169,93oz.in)
JK-FLF57-LSW Serisi ile JK57HS56-2804
Jkongmotor
Şanzıman Motorları
Nema23 (57 mm)
4 telli
2 faz
1,8°
10 Adet
| Kullanılabilirlik: | |
|---|---|
51 mm gövde uzunluğuna, Jkongmotor Nema 23 step motor 0.9Ω , 3 mH , 2.8A nominal akıma ve 1,2 N.m(169.93oz.in) tutma torkuna sahip , entegre 4:1 / 5:1 / 10:1/20:1/25:1/50:1 dişli oranına sahip planet dişli kutusu. Arka uç kapağında vida delikleri bulunan Φ9,5 mm çapında bir arka şaft mevcuttur. Sınırlı alana sahip ancak düşük hız ve/veya yüksek tork gerektiren uygulamalar için iyi bir çözümdür. Daha farklı step motor gereksinimleri için (şanzıman, fren, enkoder veya entegre motorlar gibi) lütfen bizimle iletişime geçin!!!
Tip: Nema23 bipolar step motor
Model Adı: JK57HS56-2804
Aşama: 2
Adım Açısı: 1,8 derece
Akım: 2.8A
Direnç: 0,9 Ω±0,1(20°C)
Endüktans: 3mH±20%(1kHz 1V RMS)
Tutma Torku: 1,2N.cm (169.93oz.in)
Yalıtım Sınıfı: B(130°); 80K Maks.
Opsiyonel Parçalar: Şanzıman, Enkoder, Fren, Entegre Sürücü...
Modeli: JK-FLE57-LSW Serisi
Şanzıman Tipi: Planet Şanzıman
Dişli Oranı: 4:1 / 5:1 / 10:1/20:1/25:1/50:1
Verimlilik: %90 / %80
Boşluk: ≤30 arkmin - 45 arkmin
Nominal Tork: 10N.m - 25N.m
Ani Durdurma Torku: 20N.m - 50N.m
Şaft Maksimum Eksenel Yükü: 100N
Mil Maksimum Radyal Yükü: 300N
Nominal Giriş Hızı: 1000rpm
Maksimum Giriş Hızı: 2000rpm
Ortalama Ömür: 20000 saat
Gürültü: ≤55dB
Koruma Seviyesi: iP54
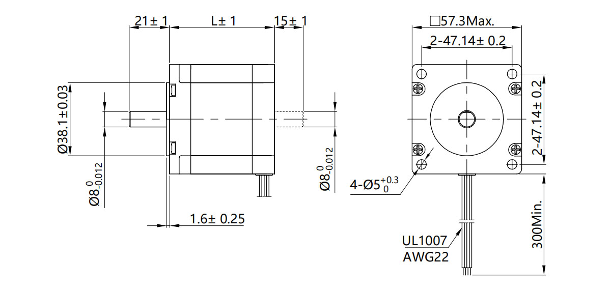
Çerçeve Boyutu: Nema 23(57 x 57mm)
Motor Uzunluğu: 56mm
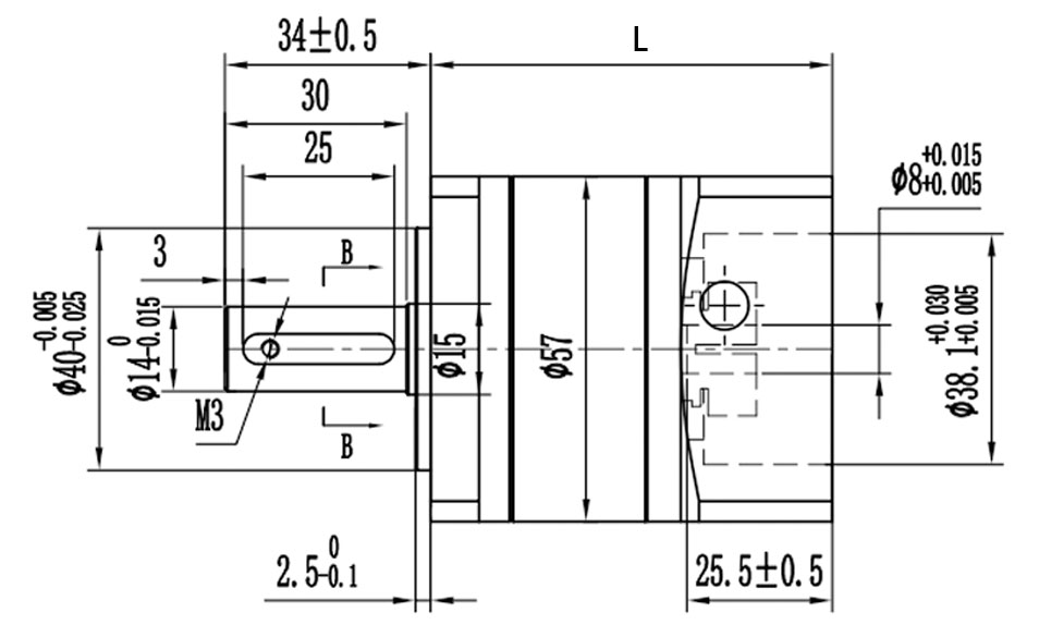
Şanzıman Uzunluğu: 100,3 mm /112,8 mm
Şanzıman Mil Çapı: Φ14mm
Şanzıman Mil Uzunluğu: 34mm
Şanzıman Anahtar Uzunluğu: 25mm
Motor Mil Çapı: Φ 6,35 veya Φ 8mm
Motor Şaft Uzunluğu: 21mm
Potansiyel Müşteri Sayısı: 4
Kurşun Uzunluğu: 300mm
JK-FLF57-L1SW Ağırlık: 0,75 kg
JK-FLF57-L2SW Ağırlık: 0,9 kg
| A+ |
A- | B+ | B- |
| Siyah | Yeşil | Kırmızı | Mavi |
| Elektriksel Özellikler | ||
| Ürün Tipi |
/ | Nema 23 Bipolar Step Motor |
| Model Adı | / | JK57HS56-2804 |
| Faz | faz | 2 |
| Adım Açısı | ° | 1.8 |
| Akım | A | 2.8 |
| Rezistans | Ω | 0.9 |
| İndüktans | mH | 3 |
| Anma Torku (Nm) | nm | 1.2 |
| Tutma Torku (oz.in) | oz.in | 169.93 |
| Bipolar/Tek kutuplu | / | Bipolar |
| Yalıtım Sınıfı | / | B |
| Kilit Torku | g.cm | 350 |
| Rotor Atalet | g.cm2 | 280 |
| Modeli | / | JK-FLF57-L1SW | ||
| Dişli Oranı | / | 4 | 5 | 10 |
| Dişli Trenleri | / | 1 | ||
| Şanzıman Uzunluğu | mm | 100.3 | ||
| Nominal Tork | nm | 25 | 25 | 10 |
| Ani Durdurma Torku | nm | 50 | 50 | 20 |
| Arka Kirpik | arkmin | ≤30 ark dk | ||
| Yeterlik | % | 90 | ||
| Uygun Motor Boyutu | mm | Φ8-22 / Φ38.1-2 / F47.14-M4 veya Φ6.35-22 / Φ38.1-2 / F47.14-M4 | ||
| Nominal Giriş Hızı | Devir/dakika | 1000 | ||
| Maksimum Giriş Hızı | Devir/dakika | 2000 | ||
| Ortalama Yaşam Süresi | H | 20000 | ||
| Eksenel Kuvvet | N | 100 | ||
| Radyal Kuvvet | N | 300 | ||
| Gürültü | dB | ≤55 | ||
| Koruma Seviyesi | IP | IP54 | ||
| Çalışma Sıcaklığı | °C | -20 ila +150 | ||
| Dış Mil Tipi | / | Anahtar Mil Tipi | ||
| Modeli | / | JK-FLF57-L2SW | ||
| Dişli Oranı | / | 20 | 25 | 20 |
| Dişli Trenleri | / | 2 | ||
| Şanzıman Uzunluğu | mm | 112.8 | ||
| Nominal Tork | nm | 25 | 25 | 20 |
| Ani Durdurma Torku | nm | 50 | 50 | 40 |
| Arka Kirpik | arkmin | ≤45 ark dk | ||
| Yeterlik | % | 80 | ||
| Uygun Motor Boyutu | mm | Φ8-22 / Φ38.1-2 / F47.14-M4 veya Φ6.35-22 / Φ38.1-2 / F47.14-M4 | ||
| Nominal Giriş Hızı | Devir/dakika | 1000 | ||
| Maksimum Giriş Hızı | Devir/dakika | 2000 | ||
| Ortalama Yaşam Süresi | H | 20000 | ||
| Eksenel Kuvvet | N | 100 | ||
| Radyal Kuvvet | N | 300 | ||
| Gürültü | dB | ≤55 | ||
| Koruma Seviyesi | IP | IP54 | ||
| Çalışma Sıcaklığı | °C | -20 ila +150 | ||
| Dış Mil Tipi | / | Anahtar Mil Tipi | ||
| Fiziksel Özellikler | ||
| Çerçeve Boyutu | mm | Nema 23 (57x57) |
| Motor Şaft Tipi | / | Yuvarlak Şaft |
| Motor Mil Çapı | mm | 6.35 / 8 |
| Motor Şaft Uzunluğu | mm | 21 |
| Motor Gövde Uzunluğu |
mm | 56 |
| Şanzıman Uzunluğu | mm | 100,3 / 112,8 |
| Şanzıman Şaft Tipi | / | Anahtar Mil Tipi |
| Şanzıman Mil Çapı | mm | 14 |
| Şanzıman Mil Uzunluğu | mm | 34 |
| Şanzıman Anahtar Uzunluğu | mm | 25 |
| Potansiyel Müşteri Sayısı | / | 4 |
| Kurşun Uzunluğu | mm | 300 |
| Ağırlık | kilogram | 0,75 / 0,9 |



Konnektörler, Şanzıman, Enkoder, Fren, Entegre Sürücü...
Metal Kasnaklar
Plastik Kasnak
Vites
Şaft Pimi
Dişli Mil
Panel Montajı
İçi Boş Şaft
Dişli Mil
Panel Montajı
Tek Daire
Çift Daire
Anahtar Mili
Kablolar
Flanşlar
Şaft
Kurşun Vida Çubuğu
Kodlayıcılar
Frenler
Şanzımanlar
Motor Kitleri
Entegre Sürücüler
Daha Özelleştirilmiş
© TELİF HAKKI 2025 CHANGZHOU JKONGMOTOR CO.,LTD TÜM HAKLARI SAKLIDIR.