Струја: 1.0А
Отпор: 3.8Ω
Називни обртни момент: 20Н.цм(28.32оз.ин)
ЈК35ХСТ42-1004
ЈКОНГМОТОР
Линеарни мотори
Екстерни Т-тип Линеарни
Нема14 (35мм)
4вирес
2 фаза
1,8°
10 ком
| Доступност: | |
|---|---|
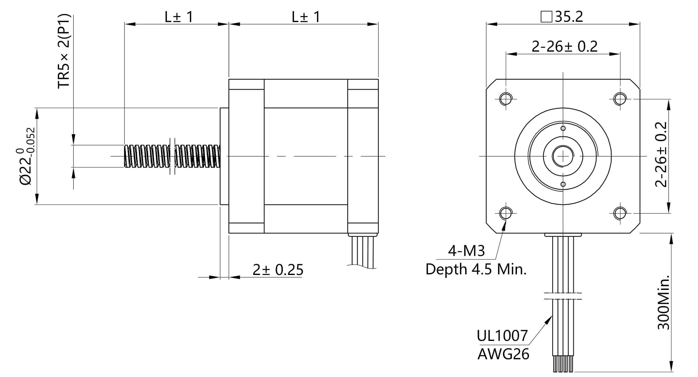
Јконгмотор Нема 14 екстерни оловни корачни мотор (ЈК35ХСТ42-1004) са углом корака 1,8 степени и величином 35к35к42мм. Величина навојне шипке укључујући Тр5, Тр6 и Тр8 . Има 4 жице, 1.0А, 3.8Ω 3.5мХ и са обртним моментом 20Н.цм (28.32оз.ин) . За више различитих захтева за корачним моторима (као што су мењач, кочница, енкодер или интегрисани мотори), молимо контактирајте нас!!!
Тип: Нема14 Т-тип оловни корачни мотор
Назив модела: ЈК35ХСТ42-1004
Фаза: 2
Угао корака: 1,8 степени
Струја: 1.0А
Отпор: 3.8Ω±0.1(20℃)
Индуктивност: 3,5мХ±20% (1кХз 1В РМС)
Обртни момент: 20Н.цм (28.32оз.ин)
Класа изолације: Б(130°); 80К Мак.
Опциони делови: мењач, енкодер, кочница, интегрисани драјвер...
Величина рама: Нема 14 (35 к 35мм)
Дужина тела: 42 мм
Пречник осовине: Тр5, Тр6, Тр8
Тип осовине: Спољни водећи вијак Т-типа
| А+ |
А- | Б+ | Б- |
| Црно | Зелена | Црвени | Плава |
| Елецтрицал Специфицатион | ||
| Врста производа |
/ | Нема 14 Спољни линеарни корачни мотор |
| Назив модела | / | ЈК35ХСТ42-1004 |
| Фаза | фаза | 2 |
| Угао корака | ° | 1.8 |
| Цуррент | А | 1.0 |
| Отпор | Ω | 3.8 |
| Индуктивност | мХ | 3.5 |
| Називни обртни момент (Нм) | Н.цм | 20 |
| Обртни момент (оз.ин) | оз.ин | 28.32 |
| Биполарни/униполарни | / | Биполарни |
| Класа изолације | / | Б |
| Закретни момент | г.цм | 125 |
| Инерција ротора | г.цм2 | 23 |
| Пхисицал Специфицатион | ||
| Величина оквира | мм | Нема 14 (35 к 35) |
| Тип излазног вратила | / | Екстерни Т-тип линеарни корачни мотор са водећим завртњем |
| Схафт Диаметер | мм | Тр5, Тр6, Тр8 |
| Број потенцијалних купаца | / | 4 |
| Леадс Ленгтх | мм | 300 |
| Тежина | Кг | 0.22 |
| Т-тип Физичка спецификација водећих вијака | |||||||
| Пречник завртња | Сцрев Леад | Сцрев Питцх | Путовање по кораку | Пречник завртња | Сцрев Леад | Сцрев Питцх | Путовање по кораку |
| мм | мм |
мм |
мм |
мм |
мм |
мм |
мм |
| Тр5 | 1 | 1 | 0.005 | Тр8 | 0.5 | 0.5 | 0.0025 |
| 2 | 1 | 0.01 | 2 | 2 | 0.01 | ||
| Тр6 |
2 | 1 | 0.01 | 4 | 2 | 0.02 |
|
| 4 | 1 | 0.02 | 8 | 2 | 0.04 | ||
| 6 | 1 | 0.03 | 12 | 2 | 0.06 | ||
| 12 | 2 | 0.06 | 20 | 2.5 | 0.1 | ||

Конектори, мењач, енкодер, кочница, интегрисани драјвер...
Метални ременици
Пластиц Пуллеи
Геар
Схафт Пин
Навојна осовина
Панел Моунт
Холлов Схафт
Навојна осовина
Панел Моунт
Сингле Флат
Дуал Флат
Кеи Схафт
Каблови
Прирубнице
Схафт
Леад Сцрев Род
Енцодерс
Кочнице
Мењач
Моторни комплети
Интегрисани драјвери
Више прилагођено
Нема 14 35ХСТ Ектернал Т-типе Сцрев Род Дименсион.пдф
Нема 14 35ХСТ Ектернал Т-типе Леад Сцрев Нут Дименсион.пдф
ЈК-ДМ420 драјвер корачног мотора
ЈК-0220 драјвер корачног мотора
© ЦОПИРИГХТ 2025 ЦХАНГЗХОУ ЈКОНГМОТОР ЦО., ЛТД СВА ПРАВА ЗАДРЖАНА.